Maximale Lichtpunkte pro Lichtleiste mit 2-mm- oder 3-mm-Faser in Endlicht-Strahlern mit optionalen 1,5 oder 1,8 mm dicken Lichtpunkten zur Ausfachung mit einem einzigen optischen 30-mm-Mini-Anschlussstück und aus einem Ende ragenden Faserarmen:
| Profile | 1.5mmr* | 1.8mm* | 2.0mm | 3.0mm |
|---|---|---|---|---|
| 27mm | 35 | 30 | 15 | 10 |
| 32mm | 50 | 45 | 22 | 12 |
| 38mm | 70 | 65 | 35 | 18 |
| 44mm | 100 | 90 | 55 | 34 |
Bei einer Mini-Steckverbindung des optischen Anschlussstückes sind maximal 10 Faserarme mit einer Faserstärke von 3 mm oder 26 Faserarme mit einer Dicke von 2 mm pro Leiste möglich.
Wenn Ausfachungspunkte genutzt werden, ist die maximale Anzahl der Endlicht-Strahler entsprechend zu reduzieren.
| Rohrgröße | Art.-Nr. | Abm. X | Abm. Y | Abm. Z |
|---|---|---|---|---|
| 32mm | ABR32R | 55 | 20 | 46.5 |
| 38mm | ABR38R | 62 | 20 | 53 |
| 52mm | ABR52R | 75.5 | 20 | 67 |
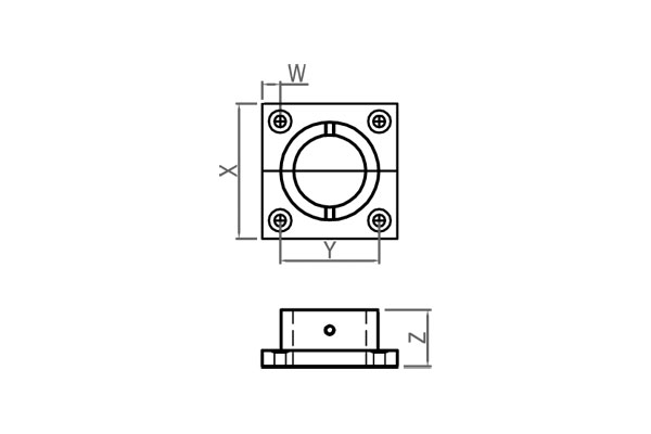
| Rohrgröße | Art.-Nr. | Abm. W | Abm. X | Abm. Y | Abm. Z |
|---|---|---|---|---|---|
| 32mm | ABR32C | 16.5 | 55 | 20 | 16.5 |
| 38mm | ABR38C | 19.5 | 62 | 20 | 18 |
| 52mm | ABR52C | 25.25 | 84.5 | 20 | 25.25 |
| Rohrgröße | Art.-Nr. | Abm. W | Abm. X | Abm. Y | Abm. Z |
|---|---|---|---|---|---|
| 32mm | ABR32F | 46.5 | 55 | 20 | 46.5 |
| 38mm | ABR38F | 53 | 62 | 20 | 53 |
| 52mm | ABR52F | 67 | 75.5 | 20 | 67 |
| Rohrgröße | Art.-Nr. | Abm. W | Abm. X | Abm. Y | Abm. Z |
|---|---|---|---|---|---|
| 32mm | ABR32S | 8 | 60 | 44 | 25 |
| 38mm | ABR38S | 8 | 66 | 50 | 25 |
| Only available for 32 or 38mm bars | |||||
| Rohrgröße | Art.-Nr. | Abm. W | Abm. X | Abm. Y | Abm. Z |
|---|---|---|---|---|---|
| 32mm | ABR32N | 81.5 | 34 | 70 | 19.5 |
| 38mm | ABR40N | 92 | 34 | 70 | 19.5 |
| 52mm | ABR48N | 100 | 34 | 70 | 19.5 |